Catalogue

Male Run Tee

Male Run Tee
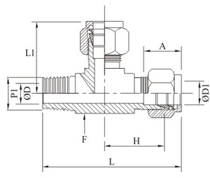
Male Run Tee Drawing