Catalogue

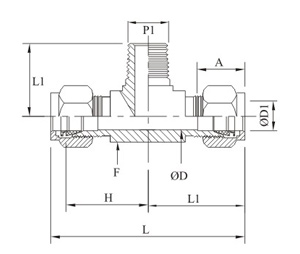
Male Branch Tee

Male Branch Tee
Male Branch Tee Drawing