Catalogue

Products

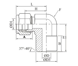
Male Pipe Weld Elbow

Male Pipe Weld Elbow
Male Pipe Weld Elbow Drawing