Catalogue

Products

Male Pipe Weld Connector

Male Pipe Weld Connector
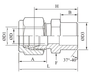
Male Pipe Weld Connector Drawing