Catalogue

Products

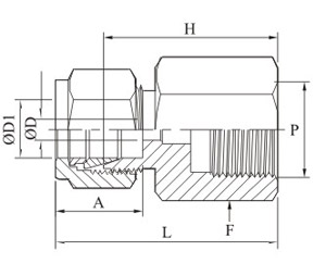
Female Connector Tube To Female Iso Parallel Thread

Female Connector Tube To Female Iso Parallel Thread
Female Connector Tube To Female Iso Parallel Thread Drawing